欢迎光临:东莞市全风实业有限公司 [官网]
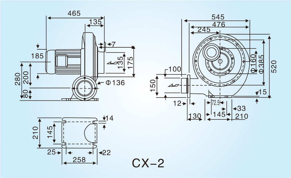
透浦式鼓风机CX-2
透浦式鼓风机CX-2,具有重量轻,风压大,振动噪音小,无油无污染的特点。
透浦式鼓风机CX-2

CX透浦式中压风机具有以下特点:
一、高压、大风量、低噪音、轻量化
二、特殊叶片设计,压力高,风量大,噪音低,寿命长。
三、采用铝合金材质,大幅降低重量,达到轻量化的目的。
四、马达为I.E.C设计(1HP以上),全闭外扇型铝框马达,特殊轴心设计,可适合长时间使用。
五、特殊风量调节风门,风量控制稳定性高,操作容易(CX.TB.HTB适用)。
广泛应用工业吸尘器专用风机、冰水机工用风机、供料专用风机、食品包装专用风机、塑胶机械(干燥机)、
气动运输、物料处理、印刷机械(丝网印机)、纺织机械、造纸及纸处理机械、热成型(用于降温)、污水池曝气等
CX系列透浦式鼓风机性能曲线

CX透浦式鼓中压鼓风机安装注意事项:
1. 透浦式鼓风机安装地点:须安装于室内不受风雨侵扰之处
2. 环境温度:40℃以下,相对湿度:80%以下
3. 尘埃防护:有大量尘埃,粉立体或纤维等场所应避免使用,如需在此类场合使用时,请加装过滤器,并定期清理附在滤网及高压鼓风机内部之尘埃
4. 空气品质:空气中若含有酸,碱等腐蚀性或易燃性气体,不应该以高压鼓风机输送,以避免发生危险
5. 置放空间:为列行维护或修理方便,请避免安装过于狭小之地点
6. 通风散热:请选择在通风良好之场所使用,不可在密闭室或密闭箱中使用
7. 避免振动:请安装在无振动场所;如场所振动无可避免,须加装防振措施,以避免高压鼓风机受到外界之振动而损坏。


·工业应用案例
![]() | ![]() | ![]() |
![]() | ![]() | ![]() |
![]() | ![]() | ![]() |
![]() | ![]() | ![]() |
![]() | ![]() | ![]() |
![]() | ![]() | ![]() |
![]() | ![]() | ![]() |

复制产品链接
长按图片保存/分享
咨询表单:
咨询内容:
你还没有添加任何产品
咨询表单:
咨询内容:
你还没有添加任何产品