欢迎光临:东莞市全风实业有限公司 [官网]
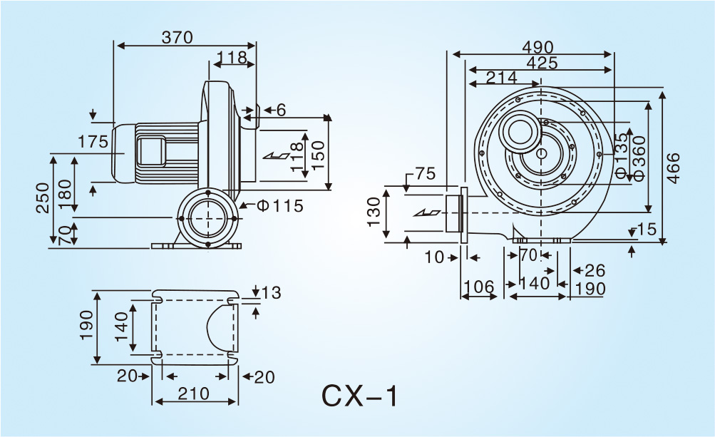
透浦式鼓风机CX-1
透浦式鼓风机CX-1广泛应用于工业除尘,管道助燃,发酵冷却等行业。
透浦式鼓风机CX-1

CX透浦式中压风机具有以下特点:
一、高压、大风量、低噪音、轻量化
二、特殊叶片设计,压力高,风量大,噪音低,寿命长。
三、采用铝合金材质,大幅降低重量,达到轻量化的目的。
四、马达为I.E.C设计(1HP以上),全闭外扇型铝框马达,特殊轴心设计,可适合长时间使用。
五、特殊风量调节风门,风量控制稳定性高,操作容易(CX.TB.HTB适用)。
CX系列透浦式鼓风机性能曲线(仅作参考不作检测依据)

CX透浦式鼓鼓风机安装:
1、中压透浦式风机底座下应保持地基水平,底座四角处建议垫减震橡皮或用螺栓浇制安装,确保中压透浦式风机运转平稳,振动小。
2、中压透浦式风机应安装在地面结实坚固的场所,周围应留有充分的余地,便于检查、维护、保养。
3、中压透浦式风机与系统的连接管道应密封可靠,对小真空泵可采用金属管路连接密封垫采用耐油橡胶,
对小中压透浦式风机可采用真空胶管连接,管道管径不得小于中压透浦式风机吸气口径,且要求管路短而少弯头。(焊接管路时应清除管道中焊渣,严禁焊渣进入真空泵腔。)
4、在连接管路中,用户可在中压透浦式风机进气口上方安装阀门及真空计,随时可检查中压透浦式风机的压力。
5、按电动机标牌规定连接电源,并接地线和安装合适规格的熔断器及热继电器。
6、中压透浦式风机通电试运转时,须取下电机皮带,确认真空泵转向符合规定方向方可投入使用,以中压透浦式风机反转喷油。(转向按防护罩指示方向)
CX透浦式鼓中压鼓风机安装注意事项:
1. 透浦式鼓风机安装地点:须安装于室内不受风雨侵扰之处
2. 环境温度:40℃以下,相对湿度:80%以下
3. 尘埃防护:有大量尘埃,粉立体或纤维等场所应避免使用,如需在此类场合使用时,请加装过滤器,并定期清理附在滤网及高压鼓风机内部之尘埃
4. 空气品质:空气中若含有酸,碱等腐蚀性或易燃性气体,不应该以高压鼓风机输送,以避免发生危险
5. 置放空间:为列行维护或修理方便,请避免安装过于狭小之地点
6. 通风散热:请选择在通风良好之场所使用,不可在密闭室或密闭箱中使用
7. 避免振动:请安装在无振动场所;如场所振动无可避免,须加装防振措施,以避免高压鼓风机受到外界之振动而损坏。


·工业应用案例
![]() | ![]() | ![]() |
![]() | ![]() | ![]() |
![]() | ![]() | ![]() |
![]() | ![]() | ![]() |
![]() | ![]() | ![]() |
![]() | ![]() | ![]() |
![]() | ![]() | ![]() |

复制产品链接
长按图片保存/分享
咨询表单:
咨询内容:
你还没有添加任何产品
咨询表单:
咨询内容:
你还没有添加任何产品