欢迎光临:东莞市全风实业有限公司 [官网]
高速高压鼓风机QHSCB125-20
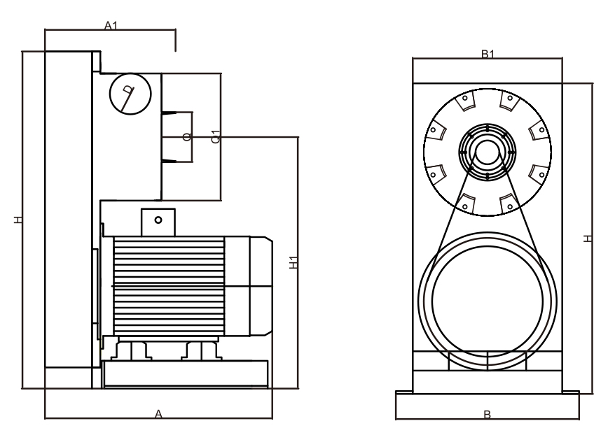
全风QHSCB高速高压离心风机,皮带驱动式设计,振动小,风力超大,风速更快。配管安装施工更方便,更节约空间,稳定性更高,使用寿命更长。
高速高压鼓风机QHSCB125-20

产品说明
1、高速鼓风机:顾名思义速度高、快速的。也叫高压鼓风机或高速高压鼓风机,由于高速鼓风机在设计条件下风压达到:50-290mbar,风量85-6000m3/h,转速18000-21000转/分,风量是高压风机3倍,因此也命名为高速风机,使用效果也达到百分之95以上。
2、全风QHSCB高速高压离心风机,采用皮带驱动式的设计,转速更高,振动小,风力超大,风速更快。出风口位置自由选择,配管安装施工更方便,更节约空间,风机稳定性更高,使用寿命更长。
3、 全风QHSCB高压高速离心风机的叶轮外形就像是一个钝角的扁锥体,在这个圆锥体上有数条螺旋形的叶片,当风机的叶轮转动时,空气就会被螺旋形的叶片“抓住”,在高速旋转所带来的巨大离心力之下,空气就会被甩进高速风机叶轮与风机主体之间的空隙,从而实现空气的压缩,并产生巨大的风压。
产品特品
1. 低噪音、低维护、运行可靠,坚固耐用。
2.功率范围在2.2-37Kw。
3.超大风量,风量可达100-6000m3/h,且风压达到290mbar。
4.采用ABB电机,防护等级IP55,绝缘等级F级。
5.主要部件采用高强度的ADC12铝合金整体压铸。
6.设备可靠、重量轻、可以沿轴向的任何方位安装、性能范围宽。
行业应用
电子业: 电路板(PCB)、软性电路板(FPCB)、液晶显示器(LCD/TFT)等产品除水/干燥
汽车工业:引擎零件去除油份/水份、车体涂装研磨后去除粉尘/水份、静电抑制
半导体业:PBGA , FBGA , SBGA , TBGA , a -BGA , CSP等产品的除水/干燥


·工业应用案例
![]() | ![]() | ![]() |
![]() | ![]() | ![]() |
![]() | ![]() | ![]() |
![]() | ![]() | ![]() |
![]() | ![]() | ![]() |
![]() | ![]() | ![]() |
![]() | ![]() | ![]() |

复制产品链接
长按图片保存/分享
咨询表单:
咨询内容:
你还没有添加任何产品
咨询表单:
咨询内容:
你还没有添加任何产品