欢迎光临:东莞市全风实业有限公司 [官网]
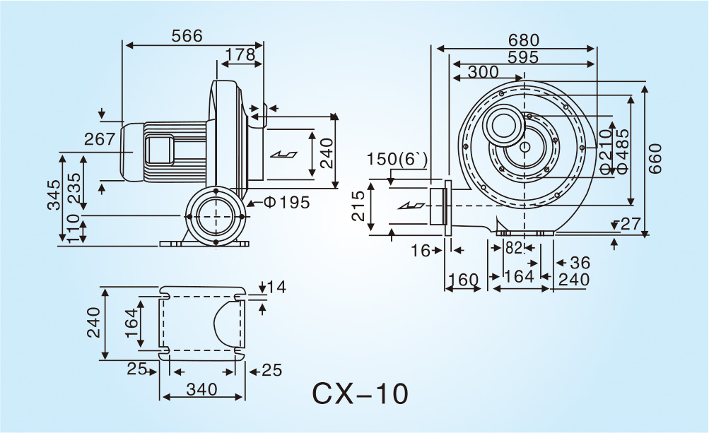
透浦式鼓风机CX-10
全风中压透浦式鼓风机CX-10具有噪音低振动低,重量轻,节能环保的特点,适用于工业助燃,大风量发酵,吸料送风,颗粒输送等。
透浦式鼓风机CX-10

CX透浦式鼓中压鼓风机安装注意事项:
1. 透浦式鼓风机安装地点:须安装于室内不受风雨侵扰之处
2. 环境温度:40℃以下,相对湿度:80%以下
3. 避免振动:请安装在无振动场所;如场所振动无可避免,须加装防振措施,以避免高压鼓风机受到外界之振动而损坏。
4. 空气品质:空气中若含有酸,碱等腐蚀性或易燃性气体,不应该以高压鼓风机输送,以避免发生危险
5. 置放空间:为列行维护或修理方便,请避免安装过于狭小之地点
6. 通风散热:请选择在通风良好之场所使用,不可在密闭室或密闭箱中使用
7. 尘埃防护:有大量尘埃,粉立体或纤维等场所应避免使用,如需在此类场合使用时,请加装过滤器,并定期清理附在滤网及高压鼓风机内部之尘埃
CX系列透浦式鼓风机性能曲线(仅作参考不作检测依据)

CX透浦式中压鼓风机广泛用于:切纸机、燃烧降氧机、卷烟滤嘴成型机、电镀槽液搅拌、雾化干燥机、水处理曝气、水产养殖、丝网印刷机、照相制版机、注塑机、自动上料烘干机、液体灌装机、粉末灌装机、电焊设备、电影机械、纸张运送、干洗衣服、清洁用途、空气除尘、干瓶、气体传送、送料、收集、环保水处理、集尘环境保护、水产养殖、丝网印刷、电镀、除尘、食品、包装、灌装、玻璃制品、气流输送等行业。


·工业应用案例
![]() | ![]() | ![]() |
![]() | ![]() | ![]() |
![]() | ![]() | ![]() |
![]() | ![]() | ![]() |
![]() | ![]() | ![]() |
![]() | ![]() | ![]() |
![]() | ![]() | ![]() |

复制产品链接
长按图片保存/分享
咨询表单:
咨询内容:
你还没有添加任何产品
咨询表单:
咨询内容:
你还没有添加任何产品