欢迎光临:东莞市全风实业有限公司 [官网]
高压环形鼓风机RB-15
高压环形鼓风机RB-15全风吸吹两用风机,具有高风压,低噪音,体积小,重量轻,安装方便的特点。
高压环形鼓风机RB-15

RB系列环形鼓风机性能曲线(仅作参考不作检测依据)

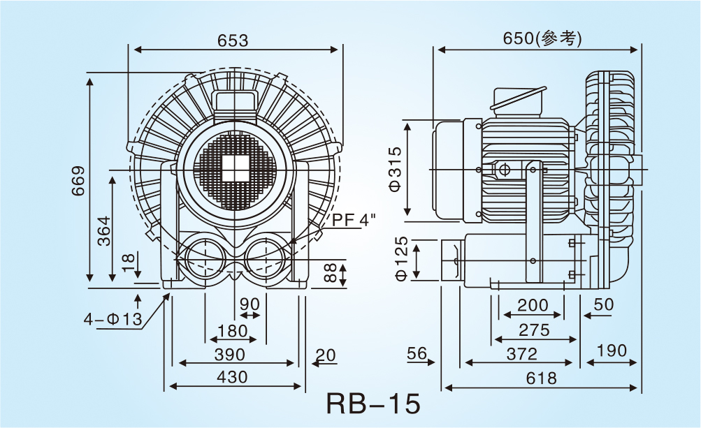
产品尺寸

铝铸鼓风机的工作原理

当叶轮3转动时,由于离心力的作用,风向标促使气体向前向外运动,从而形成一系列螺旋状的运动。叶轮刀片之间的空气呈螺旋状加速旋转并将泵体之外的气体挤入(由吸气口1吸入)侧槽,当它进入侧通道2以后,气体被压缩,然后又回复到叶轮刀片间再次加速旋转。当空气沿着一条螺旋形轨道穿过叶轮和侧槽时,每个叶轮片增加了压缩和加速的程度,随着旋转的进行,气体的动能增加,使得沿侧通道通过的气体压力进一步增加。当空气到达侧槽与排放法兰的连接点(侧通道在出口处变窄),气体即被挤出叶片并通过出口消声器4排出泵体。
产品图

高压环形鼓风机安装方法
1、机壳内及其它壳体内部要进行检查,防止有杂物的残留;
2、保证主轴的水平位置,并测量主轴于电机轴的同心度及联轴器两端面的不平行度。 两轴不平行度匀差为0.05mm,两轴器两端面不平行度匀差为0.05mm;
3、风机的支架须固定在混凝土基础上,风机其钢支架与基础之间须增加橡胶减振垫。高压风机及电动机组件都安装在整块的钢支架上,钢地架安装在基础顶部的减振垫上,减振垫用多孔型橡胶板;
4、风机出口的管径只能变大、不能变小,出风口要安装防虫网,偏向上出风时须增加风雨帽;
5、安装后,试拨转传动组,检查是否有过紧,或与固定部分碰撞现象。发现不妥之处须调整好。
6、需使用平垫圈和弹簧垫圈来加紧螺丝;
7、使用橡胶缓冲胶来承受高压风机的重量,特别是大功率的高压风机;
8、对于某些对噪音有要求的场合,可以加装消音器来降低噪音(一般情况下,大约在5db左右),消音器安装在进风管道或出风管道的末端;
9、对于某些对噪音要求很高的场合,可以根据机器本身的条件,加上一层消音绵,即可满足现场的噪音要求,具体可咨询高压风机的厂家或专业的噪音治理公司。

·工业应用案例
![]() | ![]() | ![]() |
![]() | ![]() | ![]() |
![]() | ![]() | ![]() |
![]() | ![]() | ![]() |
![]() | ![]() | ![]() |
![]() | ![]() | ![]() |
![]() | ![]() | ![]() |

复制产品链接
长按图片保存/分享
咨询表单:
咨询内容:
你还没有添加任何产品
咨询表单:
咨询内容:
你还没有添加任何产品