欢迎光临:东莞市全风实业有限公司 [官网]
双叶轮旋涡气泵QF720-H47
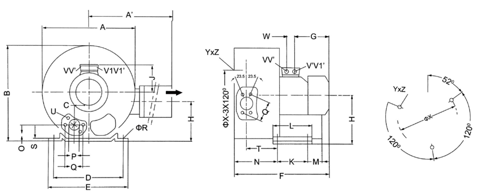
双叶轮旋涡气泵QF720-H47,可根据客户需求定制,满足不同客户需求。
双叶轮旋涡气泵QF720-H47

QF系列旋涡气泵性能曲线(仅作参考不作检测依据)

高压鼓风机 双叶轮侧风道高压风机保养:
1、高压鼓风机漩涡气泵应放置在较平稳的地方,周围环境应清洁、干燥、通风。
2、高压鼓风机漩涡气泵叶轮旋转方向须与风扇罩壳上所标箭头方向。
3、进出气口外联接须采用软管联接(如橡胶管、塑料弹簧管)。
4、进出气两端的过滤网和消音装置应根据情况适时清洗,以免堵塞影响使用。
5、高压鼓风机漩涡气泵工作时,工作压力不得大于8kpa,以免使气泵产生过大的热量和电动机超电流引起气泵损坏。
6、高压鼓风机漩涡气泵除电机转子两只轴承外,其它部位没有直接接触摩擦。本气泵轴承安装方式主要分二类。一类气泵端的轴承安装在电机机座和叶轮中间的泵体内,这类气泵平时不需要加润滑脂。二类气泵端的轴承是安装在泵盖中间,此类气泵端的轴承应定期加润滑脂(7018高速润滑脂)。每月一次,对于三班连续工作的气泵应当增加加油次数。此类气泵电机风扇端的轴承维护保养按一类气泵。
7、高压鼓风机漩涡气泵轴承的更换:更换轴承须由熟悉修理工作的人进行操作。先拧松泵盖上的螺钉,然后按图示顺序逐一拆卸零件,拆下的零件应经过清洗,然后按反顺序装配。拆卸时,不能硬撬叶轮,应用拉马拉出,同时不要遗漏调节垫片,以免影响出厂时已调节器好的间隙。
8、高压鼓风机漩涡气泵严禁固体、液体及有腐蚀气体进入泵体。


工业应用案例
•送风 吸尘 排气 冷却 输送 气垫



复制产品链接
长按图片保存/分享
咨询表单:
咨询内容:
你还没有添加任何产品
咨询表单:
咨询内容:
你还没有添加任何产品